Home

/

Products

/

Air Valves And Diffusers

/

HC-RSD-1

High-Capacity Air Jet Diffuser for Supply Air
Model : HC-RSD-1

Manufactured from sheet with a white powder-coated finish RAL9010,RAL9016.

Durable & Practical Construction

Crafted from premium selected materials, with a reinforced fulcrum structure for enhanced rigidity and extended service life.

Precision Splicing & Welding

Features seamless and robust round-profile joints, achieved through high-quality welding for a smooth, tidy, and burr-free finish.

Adjustable Airflow Direction

Allows air flow to be flexibly directed up to 45° for tailored ventilation control.

Available in the sizes listed below.

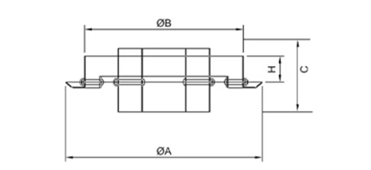
Specification

Sepecification

150

200

250

300

350

400

A

210

260

310

260

410

460

B

148

198

248

298

348

398

C

100

100

100

100

100

100

H

51

51

51

51

51

51

This diffuser features an aerodynamic design with concentric rings and a pivoting eyeball adjustment mechanism, allowing directional control up to 30° from its axis.
Aerodynamic Design
Enhances air circulation efficiency and improves the overall performance of HVAC and ventilation systems, ensuring uniform air distribution.
It enhances air circulation efficiency and improves the overall performance of HVAC or ventilation systems by ensuring even air distribution.
Suitable for both wall and duct mounting, it is especially recommended for installations in high or hard-to-reach locations.

Get In Touch

If you have questions or need help, please feel free to contact us, we will get back to you with our reply soon.

You Also Like

Steel Supply Air Valve For HVAC Conditioner
Round swirl diffusers
Round swirl diffusers
High-Capacity Air Jet Diffuser for Supply Air