Home

/

Products

/

Ventilation Mounting Accessories

/

HC-PB

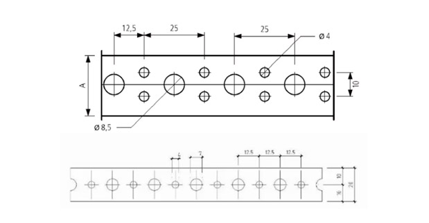
Perforated galvanized band
Model : HC-PB

Material: Galvanized Steel

Thickness: 0.3mm, 0.5mm, 0.8mm, 1.0mm, 1.2mm, 1.5mm, 2.0mm (Custom thickness available)

Width: 10mm, 12mm, 15mm, 18mm, 20mm, 22mm, 25mm, 30mm, 32mm, 35mm, 38mm, 40mm, 50mm, 60mm (Custom width available)

Length: 7m, 10m, 15m, 20m, 25m, 30m, 35m, 40m, 45m, 50m, 55m, 60m, 65m, 70m (Custom length available)

Specification

Item code

Width×Thickness(MM)

Roll length(M)

HC-PB

17×0.6/ 0.8/1.0

10/25

HC-PB

20×0.6/ 0.8/1.0

10/25

HC-PB

25×0.6/ 0.8/1.0

10/25

Perforated galvanized band, crafted from galvanized perforated steel, features an assortment of holes designed to accommodate various fixings such as threaded rods, clamps, and bolts. The smaller holes are suitable for use with rivets, screws, or nails. Easily cut or bent, this band offers a quick and reliable fastening solution for general construction and a wide range of other applications.

Key Features:
Easily cut and bent for on-site adaptability.
Ideal for securing, supporting, and strapping cables, trunking, and ducting.
Typical Applications:
Joist strutting
Window frame and sill fixing
Fencing repairs and construction
Hanging ductwork

Get In Touch

If you have questions or need help, please feel free to contact us, we will get back to you with our reply soon.

You Also Like

Steel Beam Clamp For HVAC System
Steel Round Split Rings for Spiral Duct
Metal Hex Head Self Drilling Screws
Double Thread Screw